- Totalt 0 kr
BENLYFT, DIPS, CHINS
Explode series - inbyggt viktmagasin
Lägg till en bevakning så meddelar vi dig så snart varan är i lager igen.
BENLYFT, DIPS, CHINS
BENLYFT, DIPS, CHINS
Benlyft, Dips, Chins är en enkel men genial maskin som passar både gymägare och idrottare. Tack vare sin smarta konstruktion kan två personer träna samtidigt, vilket minskar väntetiden. Maskinen finns i flera färger och passar därför gym i alla stilar. Maskinen har grepp för chins, dip-stänger samt en magdel för benlyft.
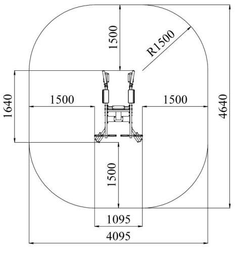
Funktion och konstruktion:
Dip-stångens bredd passar alla kroppsbyggnader. Maskinen är tillverkad i 3 mm tjockt stål och har en varmförzinkad yta som skyddar mot korrosion, vilket gör den lämplig även för utomhusbruk.
Träningsövning:
Chins: Greppa handtagen, dra upp kroppen främst med ryggmusklerna. Om övningen känns för tuff, använd hjälp med gungande rörelser och träna regelbundet för att bli starkare.
Dips: Häng i stången, luta kroppen framåt och sänk dig tills armbågarna är i 90°. Pressa sedan upp igen.
Benlyft: Håll i handtagen, luta ryggen mot ryggstödet och dra benen mot magen. Sänk benen långsamt för att bibehålla muskelspänningen.
Tränade muskler:
Biceps, triceps, brachialis, brachioradialis, trapezius, latissimus dorsi, teres major, rhomboideus major, pectoralis major, deltoideus, yttre och inre sneda magmuskler.
Massor av färger - utforska RAL-koderna.
Teknisk specifikation

Certifiering
EN 16630 (Utomhusgym och fitnessutrustning) samt inspekterad enligt ISO/IEC 17020
Ladda ner

Vi hjälper dig hela vägen!
Med vår mångåriga kunskap från produkter till säkerhet och tekniska lösningar så hjälper vi dig igenom hela projektet.
Ring oss på tel: 010-20 70 001 eller maila oss på: support@kpln.se
40% rabatt
KPLN Design är en komplett RAM-avtalsleverantör

Denna produktkategori erbjuder 40% rabatt enligt avtal
Ange rabattDenna produktkategori erbjuder 30% rabatt enligt avtal
Ange rabattDenna produktkategori erbjuder 10% rabatt enligt avtal
Ange rabatt
